|
产品概述 气动超薄型球阀(亦称气动对夹球阀)是引进意大利技术进行国产化设计而发展出的新一代超短法兰距球阀,是由单(双)作用活塞式气动执行器及超薄球阀组成。气动超薄球阀可配以阀门定位器输入控制信号(4-20mADC或1-5VDC)气源即可控制运转。亦可配行程限位开关、电磁阀、减压阀及0.4~0.7MPa气源可实现开关操作,并送出二对无源触点信号指示阀门的开关。气动超薄型球阀(气动对夹球阀)球芯通道形状有矩形、V形及O形。该系列产品具有结构紧凑、体积小、重量轻、安装方便等特点。故气动超薄型球阀(气动对夹球阀)广泛应用在石油、化工、冶金、电站、轻工等领域,对油、水、气及纸浆或纤维状流体进行自动调节或切断控制。 主要技术参数 阀体 阀体形式 | 直通铸造超短阀 | 公称通径 | DN15~150mm | 公称压力 | 国标PN1.6、2.5、4.0、6.4 MPa;美标ANSI 150、300LB ;日标JIS 10、20、30K | 法兰标准 | JIS、ANSI、GB、JB、HG等 | 连接形式 | 法兰式、对夹式 | 压盖型式 | 螺母压紧式 | 密封填料 | V型聚四氟乙烯填料、柔性石墨填料等 |
阀内件 执行机构 执行器型号 | GT、AT、AW系列单双作用气动执行器 | 供气压力 | 0.4~0.7MPa | 气源接口 | G1/4"、G1/8"、G3/8"、G1/2" | 环境温度 | -20~+90℃ | 作用形式 | 单作用执行机构:气关式(B)--失气时阀位开(FO);气开式(K)--失气时阀位关(FC) 双作用执行机构:气关式(B)--失气时阀位保持(FL);气开式(K)-- 失气时阀位保持(FL) | 可配附件 | 定位器、电磁阀、空气过滤减压器、保位阀、行程开关、阀位传送器、手轮机构等 |
主要性能指标 公称通径 DN(mm) | 15 | 20 | 25 | 32 | 40 | 50 | 65 | 80 | 100 | 125 | 150 | 200 | 250 | 300 | 允许压差(MPa) | ≤ 公称压力 | 动作范围 | 0~90° | 泄露量Q | 按GB/T4213-92,小于额定KV0.01% (软密封为零泄露) | 基本误差 | 带定位器:小于全行程的±2% | 回差 | 带定位器:小于全行程的2% |
主要性能规范 试验压力(MPa) | 公称压力(MPa) | 压力级(class) | JIS(K) | 1.6 | 2.5 | 4.0 | 6.4 | 150 | 300 | 10K | 20K | 强度试验 | 2.4 | 3.75 | 6.0 | 9.6 | 3.0 | 7.5 | 2.4 | 3.8 | 密封试验 | 1.76 | 2.75 | 4.4 | 7.04 | 2.2 | 5.5 | 1.5 | 2.8 | 气密试验 | 0.5~0.7MPa |
主要零件材料 1 | 阀体 | WCB、CF8、CF8M、CF3M | 
| 
| 2 | 压圈 | 2Cr13、304、316 | 3 | 阀座 | PEFE、PPL、304 | 4 | 球体 | 2Cr13、304、316 | 5 | 阀杆 | 2Cr13、304、316 | 6 | 密封填料 | PTFE/柔性石墨 | 7 | 螺母压盖 | 2Cr13、304、316 |
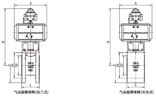
超薄型球阀 主要外形及连接尺寸 
注:以上参数均以国标PN1.6MPa为准,其他压力等级请咨询公司技术部,表中尺寸为不带标准附件数据,另由于产品改进技术创新参数可能有一定变化,请咨询公司技术部门索取最新数据。
|