|
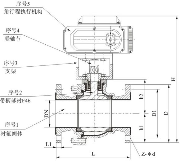
概述 电动衬氟球阀由WT系列电动执行机构和衬氟球阀组成,由于该阀内腔及球体均采用高压注塑工艺,衬有耐腐蚀、耐老化的聚四氟乙丙烯(简称F46),故具有可靠的耐腐蚀性和密封性。执行机构能提供足够的转距,保证阀的可靠开、闭,并带有自动复位的离合器,失电时可自动复位。内置阀位反馈装置可实现阀位信号的传递和远程控制。 特点 1、 耐腐蚀:阀体内腔及理体均包衬2.5-3mm厚的F46,能耐酸、碱,耐强腐蚀。 2、采用软密封阀座,密封性能好。 3、体积小,重量轻,结构简单,安装维修方便。 4、流阻小,流通能力 主要零部件材料 型 式: 直通两分式铸造球阀 公称通径: DN15~200mm 公称压力: PN1.0、1.6MPa (ANSI 150Lb) 连接形式: 法兰连接 JB/T79-94(ANSI16.5) 材 料: ZG230-450衬F46、ZG1Cr18Ni9Ti衬F46 上 阀 盖: 与阀体一起铸造 填 料: 聚四氟乙烯 介质温度:-20~+150℃ 阀芯形式: 球型阀芯 流量特性: 快开特性 阀 座: 聚四氟乙烯 材 料: ZG230-450衬F46、ZG1Cr18Ni9TI衬F46 阀芯转角: 90° 执行机构选配介绍 项目类型 | WT-05 | WT -10 | WT -20 | WT -40 | WT -60 | WT -100 | WT -200 | 输出力矩 | 50N.M | 100 N.M | 200 N.M | 400 N.M | 600 N.M | 1000 N.M | 2000 N.M | 动作范围 | 0~90° | 额定电流 | 0.15A | 0.3A | 0.45A | 0.7A | 0.7A | 0.85A | 0.85A | 绝缘电阻 | 100M/DC500V | 电源 | AC110/220/380V DC24V | 电机功率 | 8W/E | 23 W/E | 45 W/E | 90 W/E | 90 W/E | 120 W/E | 120 W/E | 选配阀门 | 15-25 | 15-65 | 80-100 | 100-125 | 125-150 | 150-200 | 200-250 | 执行器重量 | 2.6Kg | 4.2 Kg | 7.9 Kg | 8.7 Kg | 9 Kg | 14.7 Kg | 15 Kg |
选配阀门压力为1.6MPa 
公称通径 | 标准值 | 参考值 | DN(mm) | NPS(inch) | L | D | D1 | D2 | f | L1 | Z-¢d | H | PN1.6(MPa) | 15 | 1/2 | 140/130 | 95 | 65 | 45 | 2 | 14 | 4-¢14 | 350 | 20 | 3/4 | 140/130 | 105 | 75 | 55 | 2 | 16 | 4-¢14 | 370 | 25 | 1 | 150/1340 | 115 | 85 | 65 | 2 | 16 | 4-¢14 | 375 | 32 | 11/4 | 165 | 135 | 100 | 78 | 2 | 18 | 4-¢18 | 385 | 40 | 11/2 | 180/165 | 145 | 110 | 85 | 3 | 18 | 4-¢18 | 390 | 50 | 2 | 200/203 | 160 | 125 | 100 | 3 | 20 | 4-¢18 | 435 | 65 | 21/2 | 220/222 | 180 | 145 | 120 | 3 | 20 | 4-¢18 | 460 | 80 | 3 | 250/241 | 195 | 160 | 135 | 3 | 22 | 4-¢18 | 465 | 100 | 4 | 280/305 | 215 | 180 | 155 | 3 | 24 | 8-¢18 | 612 | 125 | 5 | 320/356 | 245 | 210 | 185 | 3 | 26 | 8-¢18 | 625 | 150 | 6 | 360/394 | 280 | 240 | 210 | 3 | 28 | 8-¢23 | 700 | 200 | 8 | 457 | 335 | 295 | 265 | 3 | 30 | 8-¢23 | 740 |
|