|
用途及特点: 电动卫生级蝶阀采用标准电子抛光,光滑表面确保清洁,无介质积存区域,不会产生潜在的污染。快速拆装阀,使阀门打开和维修快捷容易,使过程停机时间缩短。广泛应用于如食品、制药、化妆品、洁净蒸汽、酒类、饮料、生化工业过程控制场合。 电动卫生型蝶阀具有结构紧凑、装拆方便等优点。 1、设计新颖、合理、结构独特,重量轻,启闭迅速。 2、操力矩小,操作方便,省力灵巧。 3、可以任何位置安装,维修方便。 4、密封材料耐老化、耐腐蚀,使用寿命长等特点。 电动卫生级蝶阀采用标准: 设计标准:GB/T2238-2008 法兰连接尺寸:GB/T9113.1-2000;GB/T9115.1-2000;JB78 结构长度:GB/T12221-2005 压力试验:GB/T13927-2008;JB/T9092-1999 电动卫生级蝶阀执行机构特点 WT系列 1.功能强劲:智能型、调节型、开关式。 2.体积小巧:体积仅相当于同类产品的35%左右。 3.使用方便:采用单相电源,接线简单;采用独创的球型凸出结构,使观察更方便;免加油免点检、防水防锈、任意角度安装。 4.保护装置有双重限位、过热保护、过载保护。全行程时间15秒、30秒、45秒、60秒。及带手动功能。 5.智能数控:内置模块采用先进计算机单片及智能控制软件直接接收计算机或工业仪表等输出的标准信号(4-20mA DC /1-5VDC)实现阀门开度的智能控制和精确定位。 电动卫生级蝶阀主要技术参数: 公称通径 | DN(mm) | 15~150 | 公称压力 | PN(MPa) | 0.6 | 1.0 | 1.6 | 试验压力 | 强度试验 | 0.9 | 1.5 | 2.4 | 密封试验 | 0.66 | 1.1 | 1.76 | 气密封试验 | 0.6 | 0.6 | 0.6 | 适用介质 | 空气、水、蒸气、油品等。 | 驱动形式 | 手动、蜗杆蜗轮传动、气传动、电传动。 | 连接方式 | 快装式、卡箍式、外螺纹、焊接式等 |
电动卫生级蝶阀主要零件的材料: 零件名称 | 材料 | 阀体 | 304、316、316L | 蝶板 | 304、316、316L | 密封圈 | 硅橡胶、氟橡胶、聚四氟 | 阀杆 | 304、316、316L | 填料 | 硅橡胶、氟橡胶、聚四氟 |
电动卫生级蝶阀密封材料选用和适用温度: 材料品种 | 聚四氟乙烯 | 硅橡胶 | 氟橡胶 | 天然橡胶 | 尼龙 | 英语简称 | PTFE | SI | VITON | NR | PA | 型号代号 | F或XC、JC | XD或JD | XE或JE | X1 | N | 耐最高温度 | 232℃ | 250℃ | 204℃ | 85℃ | 93℃ | 耐最低温度 | -268℃ | -70℃ | -23℃ | -20℃ | -73℃ | 适用工作温度 | -30~+150℃ | -70~+150℃ | -23~+60℃ | -20~+85℃ | |
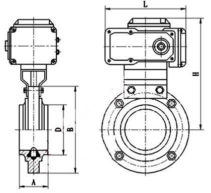
电动卫生级蝶阀主要外形尺寸: 
规格 ( ISO ) | A | B | D | L | H | Kg | 20 | 50 | 78 | 19.05 | 130 | 82 | 1.2 | 25 | 50 | 78 | 25.4 | 130 | 82 | 1.2 | 32 | 50 | 78 | 31.8 | 130 | 82 | 1.05 | 38 | 50 | 86 | 38.1 | 130 | 86 | 1.2 | 51 | 52 | 102 | 50.8 | 140 | 96 | 1.7 | 63 | 56 | 115 | 63.5 | 150 | 103 | 2.1 | 76 | 56 | 128 | 76.1 | 150 | 110 | 2.4 | 89 | 60 | 139 | 88.9 | 170 | 116 | 2.7 | 102 | 64 | 154 | 101.6 | 170 | 122 | 3.05 | 108 | 64 | 159 | 108 | 170 | 126 | 3.15 | 133 | 80 | 138 | 133 | 190 | 138 | 5.2 | 159 | 90 | 215 | 159 | 190 | 153 | 9.2 |
|