|
J41B型氨用截止阀的使用方法 1、按使用要求的不同,氨气减压阀有许多规格。最高进口压力大多为,最低进口压力不小于出口压力的2.5倍。出口压力规格较多,一般为,最高出口压力为。 2、安装氨气减压阀时应确定其连接规格是否与使用系统的接头相一致。氨用截止阀采用半球面连接,靠旋紧螺母使二者完全吻合。因此,在使用时应保持两个半球面的光洁,以确保良好的气密效果。安装前可用高压气体吹除灰尘。必要时也可用聚四氟乙烯等材料作垫圈。 3、氨用截止阀应严禁接触油脂,以免发生火警事故。 4、停止工作时,应将减压阀中余气放净,然后拧松调节螺杆以免弹性元件长久受压变形。 5、氨用截止阀应避免撞击振动,不可与腐蚀性物质相接触。 主要零部件材质 产品类型 | 零件名称 | 阀体、阀盖 | 阀杆 | 填料 | 密封面 | 垫片 | 紧固件 | J41B-16/25C | 铸钢 | 碳钢 | 聚四氟乙烯 | 巴氐合金 | 石棉橡胶板 | 优质碳钢 | J41B-16/25Q | 球墨铸铁 | 碳钢 | 聚四氟乙烯 | 巴氏合金 | 石棉橡胶板 | 优质碳钢 | J41B-16/25K | 可锻铸铁 | 碳钢 | 聚四氟乙烯 | 巴氏合金 | 石棉橡胶板 | 优质碳钢 |
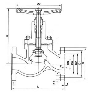
氨用截止阀的连接尺寸 
公称通径 DN(mm) | 主要外形尺寸及连接尺寸(mm) | L | D | D1 | D2 | D6 | b | f | F1 | z-d | H | DO | J41B-16C J41B-16Q J41B-16K | 10 | 130 | 90 | 60 | 40 | 35 | 14 | 2 | 4 | 4-14 | 196 | 120 | 15 | 130 | 95 | 65 | 45 | 40 | 14 | 2 | 4 | 4-14 | 196 | 120 | 20 | 150 | 105 | 75 | 55 | 51 | 16 | 2 | 4 | 4-14 | 196 | 140 | 25 | 160 | 115 | 85 | 65 | 58 | 16 | 2 | 4 | 4-14 | 204 | 160 | 32 | 180 | 135 | 100 | 78 | 66 | 18 | 2 | 4 | 4-18 | 208 | 160 | 40 | 200 | 145 | 110 | 85 | 76 | 18 | 3 | 4 | 4-18 | 248 | 200 | 50 | 230 | 160 | 125 | 100 | 88 | 20 | 3 | 4 | 4-18 | 248 | 200 | 65 | 290 | 180 | 145 | 125 | 110 | 22 | 3 | 4 | 4-18 | 321 | 240 | 80 | 310 | 195 | 160 | 135 | 121 | 24 | 3 | 4 | 8-18 | 325 | 240 | 100 | 350 | 215 | 180 | 155 | 150 | 24 | 3 | 4.5 | 8-18 | 371 | 280 | 125 | 400 | 245 | 210 | 185 | 176 | 26 | 3 | 4.5 | 8-18 | 400 | 320 | 150 | 480 | 280 | 240 | 210 | 204 | 26 | 3 | 4.5 | 8-23 | 432 | 320 | 200 | 600 | 335 | 295 | 265 | 260 | 30 | 3 | 4.5 | 12-23 | 654 | 400 | 250 | 650 | 405 | 335 | 320 | 313 | 32 | 3 | 4.5 | 12-25 | 745 | 500 | 300 | 700 | 460 | 410 | 375 | 364 | 34 | 3 | 4.5 | 12-25 | 852 | 600 | J41B-25C J41B-25Q J41B-25K | 10 | 130 | 90 | 60 | 40 | 35 | 16 | 2 | 4 | 4-14 | 196 | 120 | 15 | 130 | 95 | 65 | 45 | 40 | 16 | 2 | 4 | 4-14 | 196 | 120 | 20 | 150 | 105 | 75 | 55 | 51 | 16 | 2 | 4 | 4-14 | 196 | 120 | 25 | 160 | 115 | 85 | 65 | 58 | 18 | 2 | d | 4-14 | 201 | 120 | 32 | 180 | 135 | 100 | 78 | 66 | | | | | | |
|