|
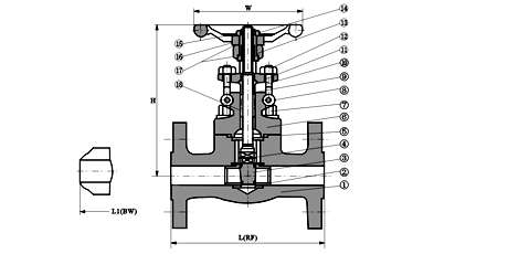
产品介绍: 锻钢闸阀的启闭件是闸板,闸板的运动方向与流体方向相垂直,闸阀只能作全开和全关,法兰锻钢闸阀不能作调节和节流。闸板有两个密封面, 最常用的模式闸板阀的两个密封面形成楔形、楔形角随阀门参数而异, 通常为 50, 介质温度不高时为 2°52' 。楔式闸阀的闸板可以做成一个整 体,叫做刚性闸板;也可以做成能产生微量变形的闸板, 以改善其工艺性, 弥补密封面角度在加工过程中产生的偏差, 这种闸板叫做弹性闸板。 应用范围: 法兰式锻钢闸阀可广泛用于自来水、污水、建筑、石油、化工、食品、医药、轻纺、电力、船舶、冶金、能源系统等体管线上作为截流装置使用。 全径或缩径 明杆支架式 自定心压板压套式 螺栓连接、全焊密封连接以及内压自紧式连接阀盖 整体式上密封座 结构特点: 锻钢闸阀有三种体盖连接设计形式。第一种是体盖螺栓连接锻钢闸阀,按这种连接形式设计的阀门,其阀体与阀盖用螺栓连接,缠绕式垫片密封,优点是便于维修。第二种体盖焊接连接锻钢闸阀,按这种连接形式设计的阀门,其阀体与阀盖全焊密封,优点是无外泄漏。第三种是压力自紧式阀盖锻钢闸阀,按这种连接形式设计的阀门,其阀体与阀盖用螺蚊连接,内压自密封环密封,优点是内部压力越大,其密封性能越好。 流体阻力小, 密封面受介质的忡刷和侵蚀小。 开闭较省力。 介质流向不受限制, 不扰流、不降低压力。 形体简单, 结构长度短,制造工艺性好,适用范围广。 标准规范: 设计制造标准:GB/T12234 结构长度标准:GB/T 12221-2005 连接法兰标准:GB/T 9113 压力温度等级:GB/T 12224-2005 试验检验标准:GB/T 13927-2008 主要零件材料 
序号 | 零件名称 | CS to ASTM | AS to ASTM | SS to ASTM | Type A105 | Type F22 | Type F304(L) | Type F316(L) | 1 | 阀体 | A105 | A182 F22 | A182 F304(L) | A182 F316(L) | 2 | 阀座 | A276 420 | A276 304 | A276 304(L) | A276 316(L) | 3 | 闸板 | A276 410 & 430 | A182 F304 | A182 F304(L) | A182 F316(L) | 4 | 阀杆 | A182 F6 | A182 F304 | A182 F304(L) | A182 F316(L) | 5 | 垫片 | 316夹柔性石墨 | 316夹PTFE | 6 | 阀盖 | A105 | A182 F22 | A182 F304(L) | A182 F316(L) | 7 | 螺栓 | A193 B7 | A193 B16 | A193 B8 | A193 B8M | 8 | 销钉 | A276 420 | A276 304 | 9 | 填料压套 | A276 410 | A182 F304(L) | A182 F316(L) | 10 | 活节螺栓 | A193 B7 | A193 B16 | A193 B8 | A193 B8M | 11 | 填料压板 | A105 | A182 F11 | A182 F304(L) | A182 F316(L) | 12 | 螺母 | A194 2H | A194 4 | A194 8 | A194 8M | 13 | 阀杆螺母 | A276 410 | 14 | 锁紧螺母 | A194 2H | A194 4 | A194 8 | A194 8M | 15 | 铭牌 | SS | 16 | 手轮 | A197 | 17 | 润滑垫片 | A473 431 | 18 | 填料 | Flexible Graphite | PTFE | 适用介质 | 水、蒸汽、油品等 | 水、蒸汽、油品等 | 硝酸、醋酸等 | 适用温度 | -29℃~425℃ | -29℃~550℃ | -29℃~180℃ |
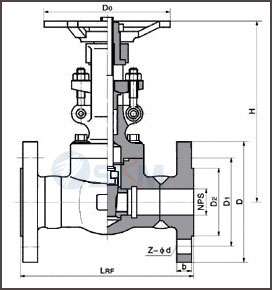
主要尺寸及重量: 
通径 NPS | 1/2 | 3/4 | 1 | 1/4 | 1 1/2 | 2 | L(RF) L1(BW) | 150 | 108 | 117 | 127 | 140 | 165 | 178 | 300 | 140 | 152 | 165 | 178 | 190 | 216 | 600 | 165 | 190 | 216 | 229 | 241 | 292 | H(OPEN) | 150,300 | 158 | 169 | 197 | 236 | 246 | 283 | 600 | 169 | 197 | 236 | 246 | 283 | 320 | W | 100 | 100 | 125 | 160 | 160 | 180 | Weights | 150 | RF | 4.5 | 5.2 | 8.2 | 11.5 | 12.5 | 20.3 | BW | 2.8 | 3.3 | 5.4 | 7.1 | 8.2 | 12.5 | 300 | RF | 4.8 | 6.2 | 9.3 | 14 | 15.5 | 23.4 | BW | 3.5 | 4.4 | 6.8 | 8.1 | 9.2 | 15.4 | 600 | RF | 5.9 | 7.4 | 10.4 | 16.2 | 17.5 | 28.3 | BW | 4.5 | 5.1 | 8.2 | 10.5 | 12.4 | 20.1 |
通径 NPS | 1/2 | 3/4 | 1 | 1/4 | 1 1/2 | 2 | L(RTJ) | 900,1500 | 216 | 229 | 254 | 279 | 305 | 368 | L1(BW) | 900,1500 | 216 | 229 | 254 | 279 | 305 | 368 | H(OPEN) | 197 | 197 | 236 | 246 | 283 | 330 | W | 125 | 125 | 160 | 160 | 180 | 200 | Weights | RTJ | 7.2 | 11.5 | 15.6 | 16.2 | 22.6 | 32.8 | BW | 5.2 | 9.3 | 12.4 | 13.8 | 18.9 | 27.5 |
锻钢法兰闸阀的安装使用 1.法兰锻钢闸阀安装前须检查阀门内腔和密封面等部位,不允许有污物或砂粒附着; 2.检查法兰连接锻钢闸阀的各连接部位螺栓,要求均匀拧紧; 3.检查填料部位要求压紧,既保证填料的密封性,也要保证闸板开启灵活; 4.用户在安装阀门前,必须校对阀门型号,连接尺寸及注意介质流向,保证与阀门要求一致性; 5.用户在安装锻钢闸阀时,必须预留阀门驱动的必要空间; 6.驱动装置的接线须按线路图进行; 7.闸阀必须定期保养,不得随意碰撞及挤压,以免影响密封。
|