|
阀门型号:H41H、H41Y、H41W 一、主要用途 升降式止回阀选用于公称压力PN1.6~6.4MPa,工作温度-29~550℃的石油、化工、火力电站等各种工况的管路上。适用介质为:水、油品、蒸汽等。 二、结构与特点 1、选材考究,符合国内、外相关标准,材料的全面质量高。 2、密封副配对先进合理,阀瓣、阀座密封面采用铁基合金或司太立(Stellite)钴基硬质合金堆焊面成,耐磨、耐高温、耐腐蚀、抗擦伤性能好,使用寿命长。 3、产品按国家标准GB/T12235设计制造。 4、可采用各种配管法兰标准及法兰密封型式,满足各种工程需要及用户要求。 5、阀体材料品种齐全,垫片可根据实际工况或用户要求合理选配,能适用于各种压力、温度及介质工况。 可按用户要求设计制造不同结构形式和连接形式的止回阀,为各种设备配套使用。 三、应用规范 设计制造按GB/T 12235-89 结构长度按GB/T 12221-89 法兰尺寸按JB/T 79-94 GB/T 9113-2000 检验标准按GB/T 9092、GB/T 13927-92 四、压力试验 公称压力 | 1.6 | 2.5 | 4.0 | 6.4 | 10.0 | 16.0 | 强度试验 | 2.4 | 3.8 | 6.0 | 9.6 | 15.0 | 24.0 | 水密封试验 | 1.8 | 2.8 | 4.4 | 7.0 | 11.0 | 18.0 | 气密封试验 | 0.5-0.7 |
五、主要零件材料及性能 阀体、阀盖、阀板 | 阀杆 | 密封面 | 垫片 | 密封面 | 工作温度℃ | 适用介质 | WCB | WCB | 1Cr13 | 增强柔性石墨 1Cr13/柔性石墨 PTFE 齿轮垫片 | 13Cr STL 本材料 尼龙 | ≤425 | 水蒸汽油品 | WC6 | WC6 | ≤540 | WC9 | WC9 | ≤570 | ZGCr5Mo | ZGCr5Mo | ≤550 | ZG1Cr18Ni9Ti | ZG1Cr18Ni9Ti | ZG1Cr18Ni9Ti | ≤200 | 硝酸类 | ZG1Cr18Ni12Mo9Ti | ZG1Cr18Ni12Mo9Ti | ZG1Cr18Ni12Mo9Ti | ≤200 | 醋酸类 |
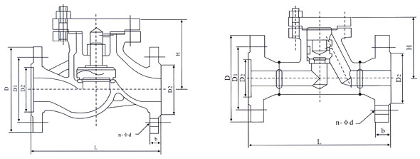
六、国标升降式止回阀规格主要尺寸和重量 
1.6MPa | DN | L | D | D1 | D2 | b | n-Φd | H | W(kg) | 凸面法兰 RF H41H H41Y H41W 16C 16P 16R | 15 | 130 | 95 | 65 | 45 | 14 | 4-14 | 58 | 2.0 | 20 | 150 | 105 | 75 | 55 | 14 | 4-14 | 63 | 2.7 | 25 | 160 | 115 | 85 | 65 | 14 | 4-14 | 71 | 3.5 | 32 | 180 | 135 | 100 | 78 | 16 | 4-18 | 84 | 5.4 | 40 | 200 | 145 | 110 | 85 | 16 | 4-18 | 96 | 6.5 | 50 | 230 | 160 | 125 | 100 | 16 | 4-18 | 115 | 9.1 | 65 | 290 | 180 | 145 | 120 | 18 | 4-18 | 145 | 14 | 80 | 310 | 195 | 160 | 135 | 20 | 8-18 | 156 | 25 | 100 | 350 | 215 | 180 | 155 | 20 | 8-18 | 170 | 40 | 125 | 400 | 245 | 210 | 185 | 22 | 8-18 | 201 | 56 | 150 | 480 | 280 | 240 | 210 | 24 | 8-23 | 238 | 90 | 2.5MPa | 15 | 130 | 95 | 65 | 45 | 16 | 4-14 | 60 | 4 | 凸面法兰 RF H41H H41Y H41W 25 25P 25R | 20 | 150 | 105 | 75 | 55 | 16 | 4-14 | 64 | 5 | 25 | 160 | 115 | 85 | 65 | 16 | 4-14 | 68 | 6 | 32 | 180 | 135 | 100 | 78 | 18 | 4-18 | 79 | 9 | 40 | 200 | 145 | 110 | 85 | 18 | 4-18 | 98 | 12 | 50 | 230 | 160 | 125 | 100 | 20 | 4-18 | 110 | 16 | 65 | 290 | 180 | 145 | 120 | 22 | 8-18 | 160 | 24 | 80 | 310 | 195 | 160 | 135 | 22 | 8-18 | 170 | 31 | 100 | 350 | 230 | 190 | 160 | 24 | 8-23 | 195 | 45 | 125 | 400 | 270 | 220 | 188 | 28 | 8-25 | 225 | 68 | 150 | 480 | 300 | 250 | 210 | 30 | 8-25 | 255 | 100 | 4.0MPa | DN | L | D | D1 | D2 | b | n-d | H | 重量 | 凹凸法兰 MFM H41H H41Y H41W 40 40P 40R 40I | 15 | 130 | 95 | 65 | 40 | 16 | 4-14 | 100 | 4 | 20 | 150 | 105 | 75 | 51 | 16 | 4-14 | 105 | 5 | 25 | 160 | 115 | 85 | 58 | 16 | 4-14 | 120 | 6 | 32 | 180 | 135 | 100 | 66 | 18 | 4-18 | 130 | 9 | 40 | 200 | 145 | 110 | 76 | 18 | 4-18 | 135 | 12 | 50 | 230 | 160 | 125 | 88 | 20 | 4-18 | 149 | 15 | 65 | 290 | 180 | 145 | 110 | 22 | 8-18 | 164 | 18 | 80 | 310 | 195 | 160 | 121 | 22 | 8-18 | 169 | 25 | 100 | 350 | 230 | 190 | 150 | 24 | 8-23 | 194 | 35 | 125 | 400 | 270 | 220 | 176 | 28 | 8-25 | 225 | 65 | 150 | 480 | 300 | 250 | 204 | 30 | 8-25 | 255 | 100 | 6.4MPa | 15 | 210 | 105 | 75 | 40 | 18 | 4-14 | 100 | 7 | 凹凸法兰 MFM H41H H41Y H41W 64 64P 64R 64I | 20 | 230 | 125 | 90 | 51 | 20 | 4-18 | 110 | 11 | 25 | 230 | 135 | 100 | 58 | 22 | 4-18 | 125 | 13 | 32 | 260 | 150 | 110 | 66 | 24 | 4-23 | 152 | 14 | 40 | 260 | 165 | 125 | 76 | 24 | 4-23 | 168 | 20 | 50 | 300 | 175 | 135 | 88 | 26 | 4-23 | 170 | 23 | 65 | 340 | 200 | 160 | 110 | 28 | 823 | 188 | 37 | 80 | 380 | 210 | 170 | 121 | 30 | 8-23 | 205 | 46 | 100 | 430 | 250 | 200 | 150 | 32 | 8-25 | 230 | 68 | 125 | 500 | 295 | 240 | 176 | 36 | 8-30 | 245 | 93 | 150 | 550 | 340 | 280 | 204 | 38 | 8-34 | 265 | 120 | 10.0MPa | 15 | 210 | 105 | 75 | 40 | 20 | 4-14 | 100 | 7 | 凹凸法兰 MFM H41H H41Y H41W 100 100P 100R 100I | 20 | 230 | 125 | 90 | 51 | 22 | 4-18 | 110 | 11 | 25 | 230 | 135 | 100 | 58 | 24 | 4-18 | 125 | 13 | 32 | 260 | 150 | 110 | 66 | 24 | 4-23 | 140 | 14 | 40 | 260 | 165 | 125 | 76 | 26 | 4-23 | 168 | 25 | 50 | 300 | 195 | 145 | 88 | 28 | 4-25 | 170 | 28 | 65 | 340 | 200 | 170 | 110 | 32 | 8-25 | 188 | 42 | 80 | 380 | 230 | 180 | 121 | 34 | 8-25 | 205 | 65 | 100 | 430 | 265 | 210 | 150 | 38 | 8-30 | 230 | 95 | 125 | 500 | 310 | 250 | 176 | 42 | 8-34 | 245 | 115 | 150 | 550 | 350 | 290 | 204 | 46 | 12-34 | 265 | 142 |
|