|
型号说明 DR/SC551:进气接口G1/4 排气接口G1/8 DR/SC552:进气接口G3/8 排气接口G3/8 DR/SC553:进气接口G1/2 排气接口G1/2 注:DR为双电控,SC单电控 特点 ●铝合金阀体,带螺纹接口和NAMUR接口 ●同一滑阀可配接为3/2常闭或5/2,用于控制双作用和单作用气动执行器 ●能防液体,灰尘或异物的侵入(实现外界影响防护) ●标准配置手动操作器 结构 阀体 :铝合金(黑色阳极化处理) 端盖,连接板:尼龙加玻璃纤维 内部零件 :锌基合金,65MnC组、尼龙玻璃纤维,铝合金 密封件:NBR+PUR 先导排气口 :螺纹接口(M5) 绝缘等级 : F 线圈外壳 :环氧树脂 线圈扁平插头:3×DIN46244 电气安全标准 :VDE 0580 
主要技术参数   安装 ·可任意位置安装 ·随阀提供2个带NAMUR配合面的连接板 ·在安装执行机构前,应根据阀的功能不同(常闭,3/2或5/2)将连接板正确安装到电磁阀 ·随阀提供螺栓和垫片 ·标准“G”螺纹接口,符合ISO228/1标准 ·随阀提供安装/维修指南 ·可供备用线圈 
外形尺寸 
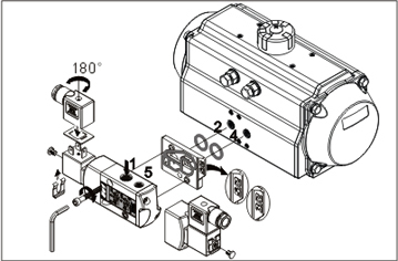
DR/SC551 ①连接板 ②安装:2-M5×35螺栓 ③插座可2×180°旋转,CM8(Pg9P) ④2个“O”形圈(提供) ⑤手动操作器:螺旋型 ⑥先导排气口:M5带排水保护装置 DR/SC552 DR/SC553 
①连接板 ②安装:2-M6×50螺栓 ③插座可2×180°旋转,CM8(Pg9P) ④2个“O”形圈(提供) ⑤手动操作器:螺旋型 ⑥先导排气口:M5带排水保护装置
|